Aquatechnik Safety-pol kniekoppeling 20 mm


20% sale
Productomschrijving
Aquatechnik Safety-pol kniekoppeling 20 mm
Product informatie:
In elke installatie zijn Aquatechnik koppelingen van onschatbare waarde voor het naadloos verbinden van leidingen in diverse systemen. Vervaardigd met hoogwaardige, duurzame materialen, biedt onze Safety-pol uitmuntende prestaties onder variabele druk- en temperatuur omstandigheden. De snelle alsook eenvoudige installatie, zonder de noodzaak van ingewikkeld gereedschap, bespaart niet alleen tijd maar ook moeite. Kies voor betrouwbare, lekvrije systemen waarbij u profiteert van efficiëntie in kosteneffectieve leidingsystemen. Met Aquatechnik's Safety-pol geniet u van gegarandeerde klasse, duurzaamheid en werkbaarheid, perfect geschikt te gebruiken bij naadloze en betrouwbare projecten.
Product eigenschappen
- Product soort: Kniekoppeling
- Aansluiting 1: 20×2 buitendraad
- Aansluiting 2: 20×2 buitendraad
- Materiaal aansluiting 1: PPS
- Materiaal aansluiting 2: PPS
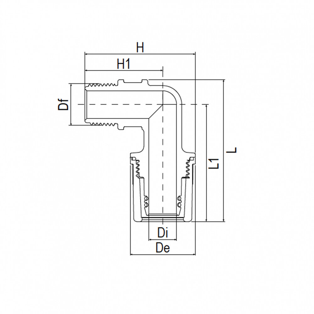
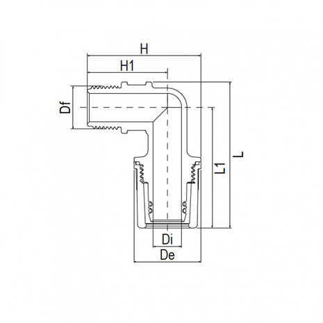
Technische gegevens Aquatechnik Safety-pol kniekoppeling 20 mm | |
| Merk | AquaPlus |
| Serie nr. | 20386 |
| Bocht 90 graden | sm20-sm20 |
| Maat (mm) | 20-2 |
| L (mm) | 74,8 |
| L1 (mm) | 58,5 |
| De (mm) | 32,6 |
| Di (mm) | 14,0 |
| Gewicht (g) | 52,5 |
| Systeemgebonden | verwarming, drinkwater, lucht, coolwater. |
| Armatuurlichaam | PPS (polyfenyleensulfide) |
| O-ring | EPDM (ethyleenpropyleendieenmonomeer) |
| Moer | PA-M (gemodificeerd polyamide) |
| Max temperatuur (°C) | 95 |
| Max druk (bar) | 10 |
| Werk temperatuur | van - 0-to +95°C tot -30 (onder -0°C zijn glycol- of antivriesadditieven vereist) |
Productspecificaties
- Artikelnummer
- 20386










